Beschrijving
Hoogwaardige rechthoekige vuilnisgooi, gemaakt van roestvrij staal (V2A), oppervlak: mat gesatineerd, AN-KH015-HL (AN-KH017), afmetingen: 144 mm (5,7″)
Toepassing:
RVS afvalafval, voor gastronomie, winkelinrichting, schoonheidssalon en nog veel meer.
De hoogwaardige roestvrijstalen afvalstrooisel AN-KH015-HL (AN-KH017) van roestvrij V2A-roestvrij staal (SUS304) heeft een rechthoekige vorm en wordt uitvoerig verwerkt.

De randen zijn onschadelijk gemaakt en afgerond om verwondingen tijdens het gebruik te voorkomen.
De roestvrijstalen vuilniswagen AN-KH015-HL (AN-KH017) kan ook worden gebruikt in vochtige ruimtes, maar ook in de medische sector, laboratoria, baden, sauna, enz.
Al met al maken de AN-KH015-HL (AN-KH017) afvalgooien een zeer hoogwaardige indruk.

De hoogwaardige afvalgooimachines AN-KH015-HL (AN-KH017) zijn ideaal voor:
- Systeem gastronomie
- Catering
- spreekkamer
- Professionele keuken
- Drogisterij meubelen
- Ziekenhuismeubilair
- Keukenmeubels
- Gastronomie
- Winkelinrichting
- Schoonheidssalon
Materiaal:
- De AN-KH015-HL (AN-KH017) afvalgooien zijn gemaakt van roestvrij staal (V2A)
Oppervlak:
- Satijn mat
Assemblage:
- Voor het beitsen
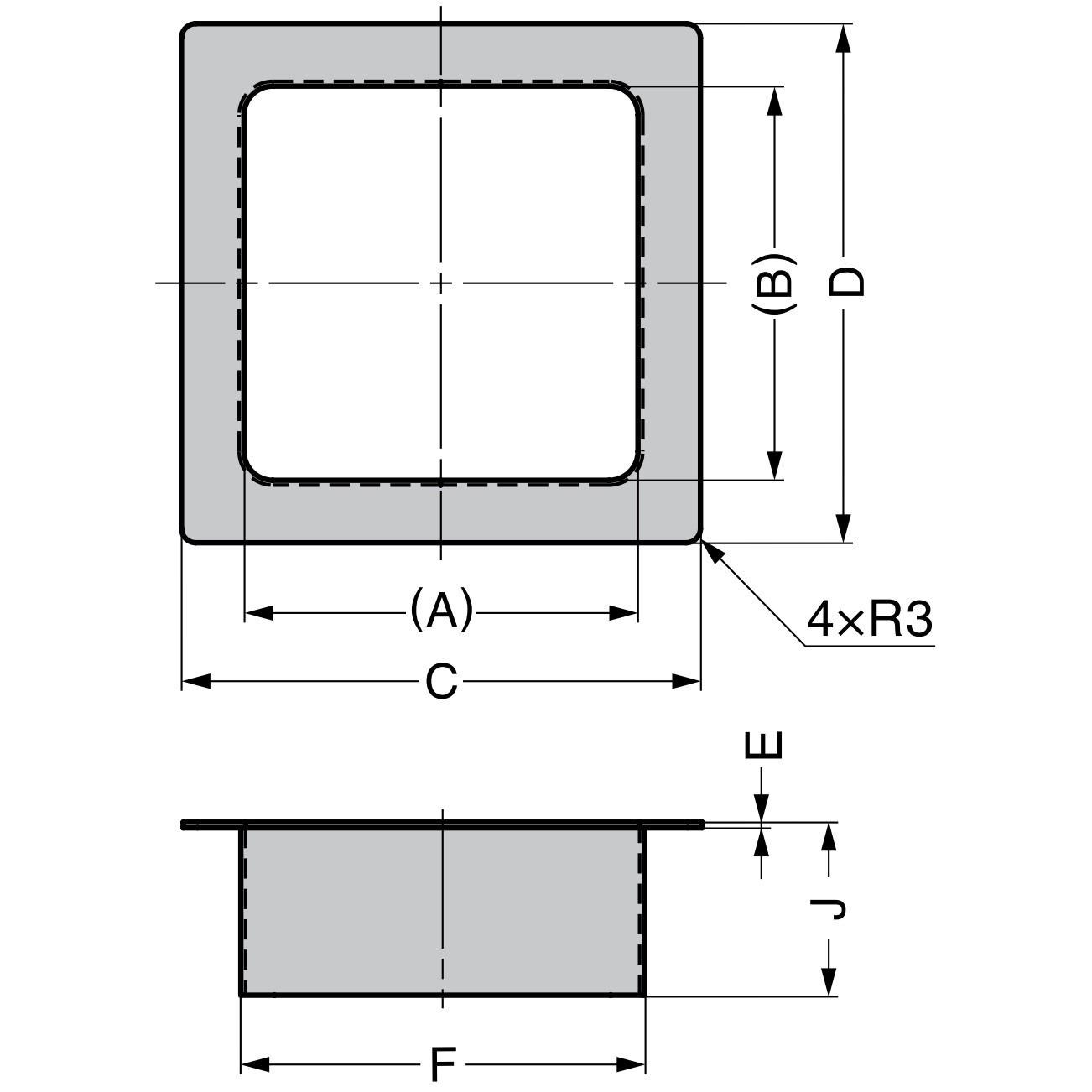
- Voor het installeren van de AN-KH015-HL (AN-KH017) afvalgooit moet een uitsparing in de karkaswand worden gemaakt met de afmetingen (G x H) 147 mm (5-25/32″) x 147 mm (5-25/32″) (zie
montagetekening
voor meer details)

Eigenschappen:
- Gewicht: 217g
- Grootte: 144 mm (5,7″)
- Uitvoerig verwerkt
- Verkrijgbaar in vijf maten : 82 mm – 300 mm
- hoogwaardig
- satijn mat
- weerbestendig
- Roestvrij (corrosievrij)
- hoge merkkwaliteit van Sugatsune / LAMP®
Voor verdere afmetingen en details zie technische tekening .
De afmetingen:
- Afmetingen afvalworp (C x D): 6-11/16″ (170 mm) x 6-11/16″ (170 mm)
- Interne afmetingen (A x B): 5-43/64″ (144 mm) x 5-43/64″ (144 mm)
- Afvoerdiepte afval (J): 36 mm (1-27/64″)
- Materiaaldikte (E): 1,2 mm (3/64″)
- Breedte kraag: 13 mm (33/64″)

Inbegrepen in de levering:
- 1 stuk afvalstrooisel AN-KH015-HL (AN-KH017) van roestvrij staal, mat gesatineerd
Referentienummer van de fabrikant:
- Artikel-id: 210-022-109
- Artikelnummer: AN-KH015-HL (AN-KH017)
- EAN-nummer: 4510932037358
Fabrikant: Sugatsune / LAMP® (Japan)





