Beschrijving
Hoogwaardige rechthoekige zelfsluitende afvoerklep voor verticale montage, met handgreep, gemaakt van roestvrij staal (V2A), oppervlak: mat gesatineerd, AZ-HD230-HL, afmetingen: 234 mm (9,3″)
Toepassing:
Roestvrijstalen afvalluik, voor gastronomie en nog veel meer.
De hoogwaardige afvalklep AZ-HD230-HL van V2A roestvrij staal (SUS304) voor verticale montage met zelfsluitende montage heeft een praktische roestvrijstalen handgreep om het openen van de afvaldeur te vergemakkelijken.

De vuilnisklep AZ-HD230-HL heeft een rechthoekige vorm en is uitvoerig verwerkt.
De randen zijn onschadelijk gemaakt en afgerond om verwondingen tijdens het gebruik te voorkomen.
De roestvrijstalen afvalklep AZ-HD230-HL kan ook worden gebruikt in vochtige ruimtes, maar ook in de medische sector, laboratoria, baden, sauna, enz.
Al met al maken de AZ-HD230-HL vuilniskleppen een zeer hoogwaardige indruk.
De installatie moet verticaal staan zodat de afvoerklep optimaal sluit.
De roestvrijstalen doorworp AZ-HD230-HL kan worden gebruikt voor het ingooien van wasgoed, gebruikte handdoeken, afval, enz.
Dankzij de brede opening en de openingshoek van 90° wordt het inbrengen van voorwerpen vergemakkelijkt.
Om nog meer plezier te beleven aan de AZ-HD230-HL werpklep, raden wij u aan om ook de optionele AZ-SLP230 roestvrijstalen keerplaat te gebruiken.
De AZ-SLP230 roestvrijstalen keerplaat, in combinatie met de AZ-HD230-HL roestvrijstalen afvalklep, zorgt ervoor dat items veilig rechtstreeks in de bak worden geleid (niet inbegrepen).

De hoogwaardige vuilniskleppen AZ-HD230-HL zijn ideaal voor:
- Systeem gastronomie
- Winkelinrichting
- Catering
- spreekkamer
- Professionele keuken
- Schoonheidssalon
- Drogisterij meubelen
- Ziekenhuismeubilair
- Keukenmeubels
- Gastronomie
Materiaal:
- De AZ-HD230-HL vuilniskleppen zijn gemaakt van roestvrij staal (V2A)
Oppervlak:
- Satijn mat
Assemblage:
- Voor het inbrengen wordt de worp op een verticaal oppervlak gemonteerd
- Opmerking: de afvoerklep AZ-HD230-HL is niet geschikt voor horizontale of verzonken installatie – gebruik a.u.b. de overeenkomstige andere varianten (zie hieronder)
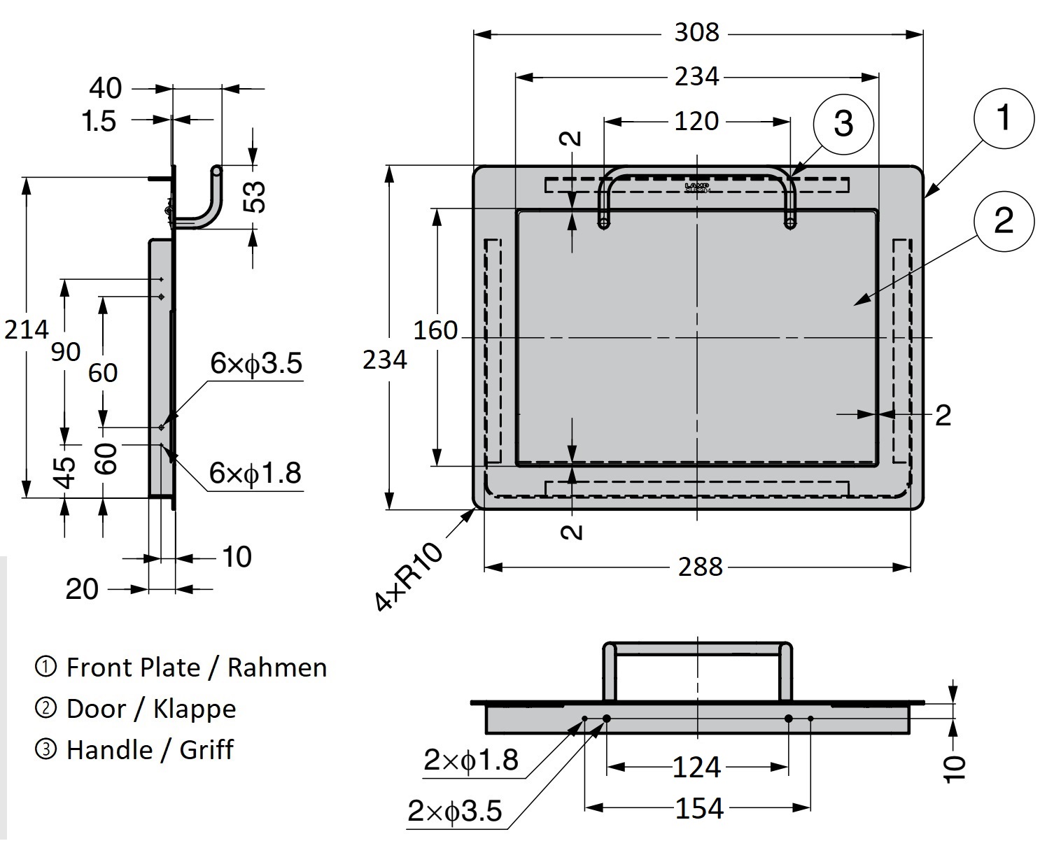
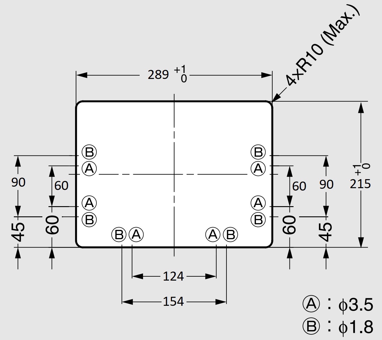
- Om de AZ-HD230-HL vuildeur te installeren, moet een uitsparing van 289 mm (11-3/8″) x 215 mm (8-15/32″) in de carrosseriewand worden gemaakt
- De roestvrijstalen afvalklep AZ-HD230-HL heeft zes montagegaten met een diameter van ⌀3,5 mm voor bevestiging met schroeven
- Verder heeft de roestvrijstalen afvalklep AZ-HD230-HL ook zes montagegaten met een diameter van ⌀1,8 mm voor bevestiging met spijkers (zie
montagetekening
voor meer details)

Eigenschappen:
- Gewicht: 1540 gram
- Grootte: 234 mm (9,3″)
- voor verticale installatie
- zelfsluitend
- met roestvrijstalen handvat
- Breedte handvat: 120 mm (4-23/32″)
- Met anti-knelplaten voor een probleemloze werking
- Sluitmechanisme: het deksel wordt door het contragewicht weer in de verticale positie gebracht
- Uitvoerig verwerkt
- hoogwaardig
- satijn mat
- weerbestendig
- Roestvrij (corrosievrij)
- hoge merkkwaliteit van Sugatsune / LAMP®
Voor verdere afmetingen en details zie technische tekening .
De afmetingen:
- Afmetingen vuilnisklep: 12-1/8″ (308 mm) x 9-7/32″ (234 mm)
- Inwendige afmetingen: 234 mm (9-7/32″) x 160 mm (6-19/64″)
- Openingshoek klep: 90°
- Diepte van de worp: 20 mm
- Materiaaldikte van de rand: 1,5 mm
- Breedte handvat: 120 mm (4-23/32″)

Inbegrepen in de levering:
- 1 stuk vuilklep AZ-HD230-HL van roestvrij staal, mat
Extra informatie:
Referentienummer van de fabrikant:
-
-
- Artikel-id: 210-180-601
- Artikelnummer: AZ-HD230-HL
- EAN-nummer: 4510932037402
-
Fabrikant: Sugatsune / LAMP® (Japan)





