Beschrijving
Verborgen klikhandgreep, gemaakt van robuust polyacetaal (POM), oppervlak: bruin, AK-60BR en AK-C60BR
Toepassing:
Praktische veiligheidshandgreep voor jachtinterieurs, camperombouwen, caravanmeubels, campers en nog veel meer.

De AK-60BR veiligheidsgrendelgreep wordt gebruikt om scharnierende en scharnierende deuren veilig te vergrendelen en voorkomt onbedoeld openen in geval van trillingen.
Bij het sluiten wordt het mechanisme van de AK-60BR drukknopgrendelhendel automatisch ingeschakeld en houdt de deur betrouwbaar gesloten met 196 N.
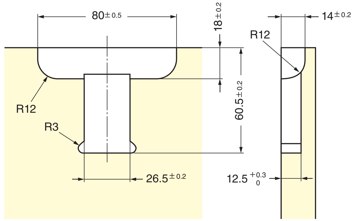
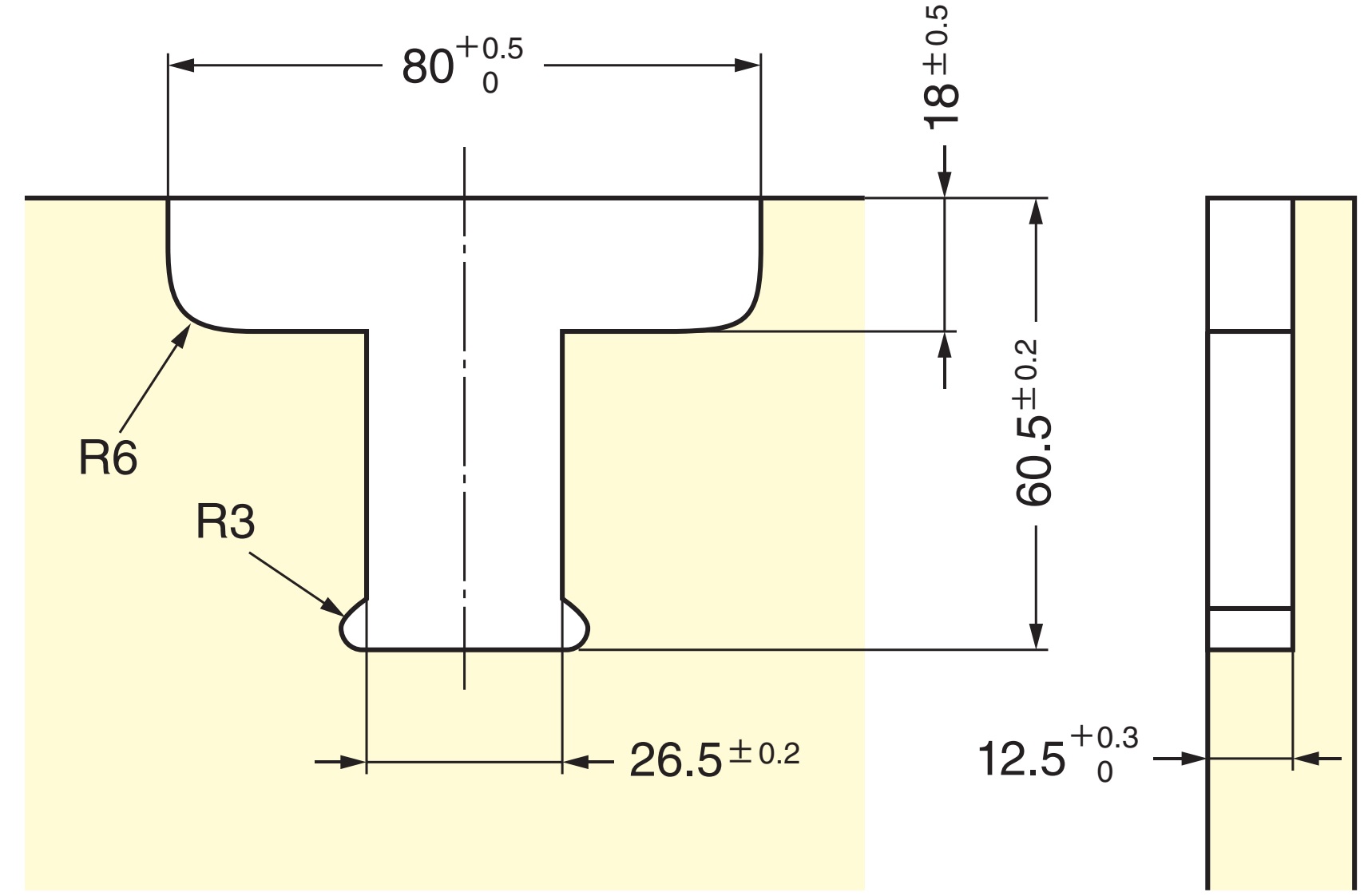
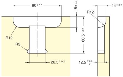
De AK-60BR drukknopvergrendeling is geschikt voor deurdiktes van 15 mm (19/32″) tot 25 mm (63/64″).

Om het te openen, is een lichte druk op de in het deurfront verzonken drukknop voldoende; Er zijn geen handvatten of knoppen, zodat een gladde look behouden blijft.
De behuizing van robuust polyacetaal (POM) is corrosiebestendig en geschikt voor de meubel- en jachtsector.
De meegeleverde afstandhouders maken aanpassing aan verschillende paneeldiktes mogelijk.

De AK-C60BR afdekkap, die ook bij de levering is inbegrepen, kan indien nodig worden gebruikt en verbergt gesneden randen netjes.
Zo combineert het product veiligheid, gebruiksgemak en esthetische terughoudendheid.
De hoogwaardige drukknopgrepen 140-050-214 en 140-050-212 zijn onder andere ideaal voor:
- Camper
- Winkelinrichting
- Meubels deuren
- Training
- Deuren
- Keuken bovenkasten
- Jacht Interieur
- Ombouw camper
- Caravan meubels
- kampeerder
Materiaal:
- De drukknopgrepen 140-050-214 en 140-050-212 zijn gemaakt van robuust polyacetaal (POM)
- Polyacetaal (POM) combineert een zeer hoge slijtvastheid en slijtvastheid met een lage wrijvingscoëfficiënt, zodat fittingen op lange termijn soepel functioneren
- Dankzij de hoge maat- en maatvastheid blijft, zelfs bij wisselende luchtvochtigheid, de nauwkeurigheid van de pasvorm van scharnieren, uittrekelementen of sloten behouden
Oppervlak:
- Bruin
- Bruin geeft een gevoel van warmte en comfort, wat een gezellige en uitnodigende sfeer creëert, ideaal voor woon- en eetgedeeltes
- Bruin past goed bij hout en is een veelzijdige, neutrale kleur die goed past bij andere kleuren en materialen en tijdloze elegantie uitstraalt

Assemblage:

- De bevestiging gebeurt met behulp van de zes meegeleverde schroeven (bolkopschroeven, zelftappend (2 stuks 3,5 x 15 mm, 2 stuks 3,5 x 20 mm en 2 stuks 4,0 x 15 mm))
- Eerst moet er aan de binnenkant van de deur worden gefreesd
- De drukknoop wordt vlak ingebracht en vastgeschroefd met zelftappende schroeven van 3,5 x 15 mm of 3,5 x 20 mm
- De tegenplaat wordt met een hartafstand van 60,5 mm (2-3/8″) in de behuizing geplaatst en op zijn plaats geschroefd
- Bij plaatdiktes van minder dan 25 mm (63/64″) worden de meegeleverde afstandsplaten ertussen geplaatst
- Ten slotte wordt de functie getest door de deur te sluiten en onder druk te openen (voor meer details, zie montagetekening)

Eigenschappen:
- Gewicht: 69g
- Laadvermogen (laadvermogen): 196 N (20 kp)
- Afmeting: 80 mm (3-5/32″)
- Verkrijgbaar in de kleuren wit en bruin
- Eenvoudige installatie, praktisch, stabiel
- Voor opbouwdeuren
- Zelfsluitend duwmechanisme
- Inbouw montage
- Houdt deuren veilig gesloten
- Voor deurdiktes van 15 mm (19/32″) tot 25 mm (63/64″)
- Voor deuren met een maximale hoogte van 700 mm (27-9/16″)
- Voor deuren met een maximale breedte van 500 mm (19-11/16″)
- Geluidsarme opening met één druk op de knop
- Incl. Afdekkap
- Eenvoudige aanpassing aan verschillende deurdiktes
- Geschikt voor meubels, voertuigen en scheepvaart
- Laag gewicht
- bruin
- robuust (lichtgewicht)
- hoge merkkwaliteit van Sugatsune / LAMP®
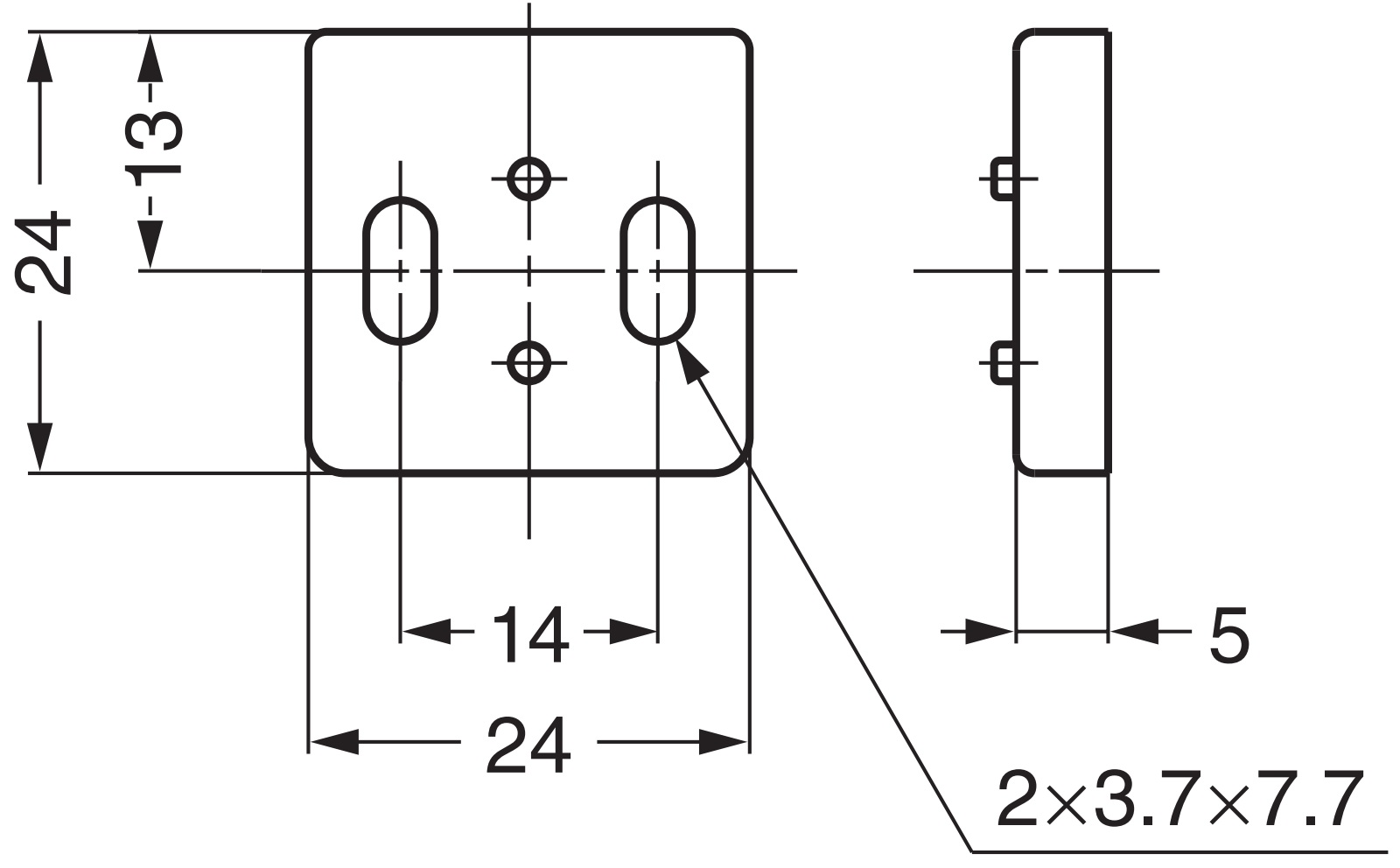
Voor meer afmetingen en details, zie technische tekening.
De afmetingen:
- Breedte handvat drukknoop: 50 mm (1-31/32″)
- Breedte handvat: 80 mm (3-5/32″)

Inbegrepen in de levering:
- 1 stuk drukgreep 140-050-214 en 140-050-212 van robuust polyacetaal, bruin
- 1 stuk afdekkap AK-60BR+AK-C60BR
- 2 stuks afstandsplaat 5 mm voor dunne deuren
- 1 stuk sluitplaat
- 6 bolkopschroeven, zelftappend (2 stuks 3,5 x 15 mm, 2 stuks 3,5 x 20 mm en 2 stuks 4,0 x 15 mm)
Extra informatie:
Referentienummer van de fabrikant:
- Artikel-ID: 140-050-214 en 140-050-212
- Artikelnummer: AK-60BR en AK-C60BR
- EAN-nummer: 4510932058940 en 4510932058933
Fabrikant: Sugatsune / LAMP® (Japan)











