Beschrijving
Roestvrijstalen inklapbare handgreep van roestvrij staal V2A (SUS304 of 1.4301), 90 mm (3-17/32″), HR-90RS
Toepassing:
Draaibare RVS inklapbare handgreep van RVS V2A, satijn mat, voor inspectieklep, inspectiedeur, onderhoudsdeur, vochtige omgeving, schip, caravan.

De RVS inklapbare handgrepen HR-90RS hebben een eenvoudig en elegant ontwerp en kunnen op vele manieren worden gebruikt.
Dankzij de verzonken verzonken handgreep blijft het oppervlak van de klep vlak.
De HR-90RS verzonken handgrepen kunnen alleen verticaal worden gemonteerd. Ze zijn niet geschikt voor gebruik met vloerluiken of bovenluiken.
De hoogwaardige HR-90RS RVS inklapbare handgrepen zijn ideaal voor:
- inspectieklep
- inspectiedeur
- onderhoudsdeur:
- vochtige omgeving
- Schip
- Caravan
- onderhoudsopening
- reinigingsklep
Materiaal:
De HR-90RS RVS inklapbare handgrepen zijn gemaakt van hoogwaardig SUS304 RVS.
Ze zijn corrosiebestendig en roestvrij.
Oppervlak:
- Satijn mat
Assemblage:
- De RVS inklapbare handgrepen HR-90RS zijn voor inbouw
- De bevestiging gebeurt met behulp van de meegeleverde schroeven (3,5 x 22 mm)
- De bevestigingsschroeven zijn ook gemaakt van roestvrij staal
- Voor de montage moet in de deur een uitsparing van 52,5 x 19 mm en minimaal 36,5 mm diep worden gemaakt
- Zorg ervoor dat de boven- en onderkant correct zijn gepositioneerd tijdens de montage
Eigenschappen:
- Gewicht: 46g
- Laadvermogen (laadvermogen): 127 N (13 kp)
- Afmeting: 90 mm (3-17/32″)
- Vorm: rechthoekig met afgeronde hoeken (R = 6 mm)
- Uniek ontwerp
- Gemaakt van roestvrij staal
- roestvrij
- Corrosiebestendig
- Hoge kwaliteit
- Materiaaldikte: 1,5 mm
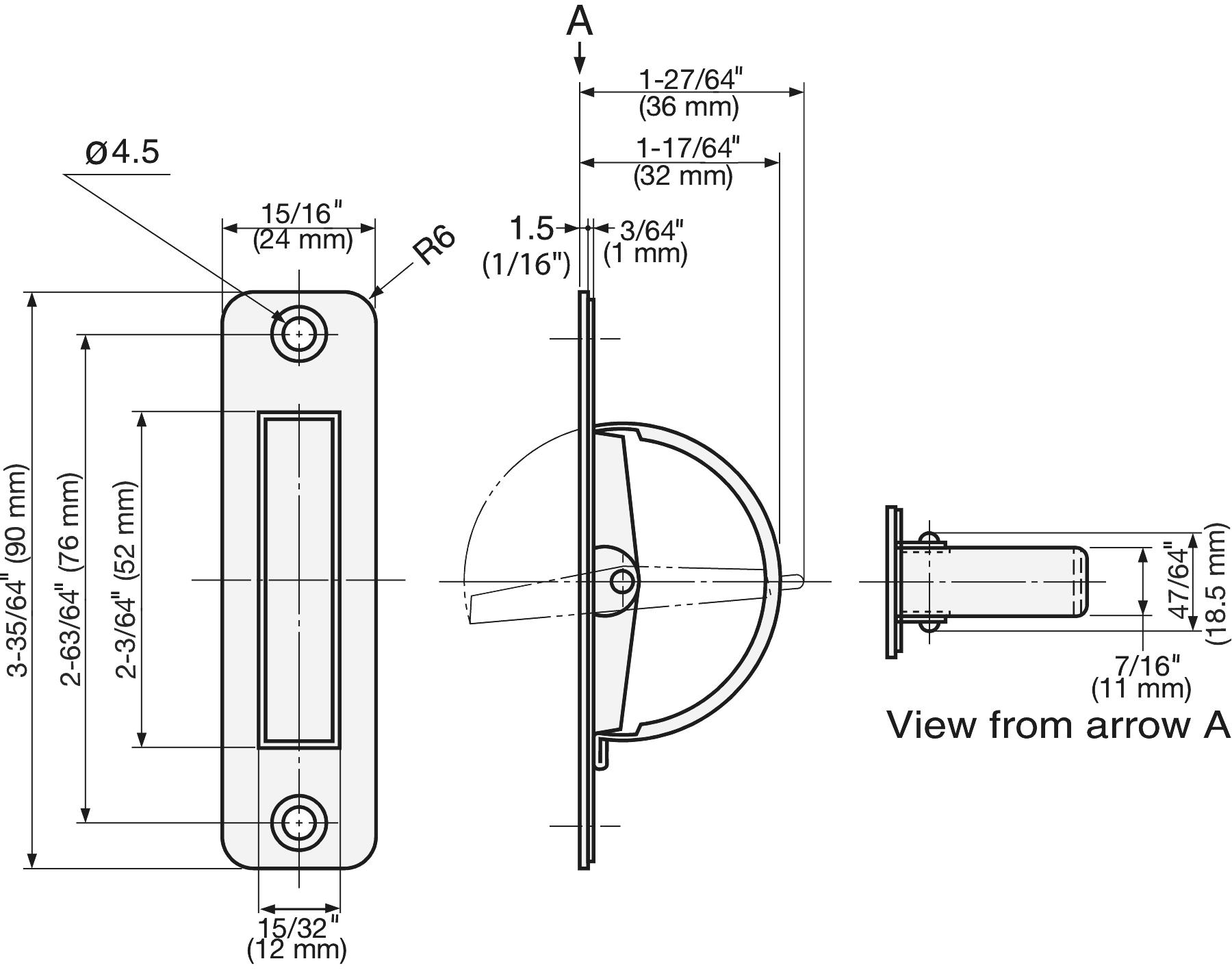
Afmetingen:
Voor meer afmetingen en details, zie technische tekening.
- Hoogte RVS inklapbare handgreep: 90 mm (3-17/32″)
- Breedte: 24 mm (15/16″)
- Afstand tussen montagegaten: 76 mm (3″)
- Afmeting greepgebied: 52 mm (2-1/16″)

Inbegrepen in de levering:
- 1 stuk RVS inklapbare handgreep HR-90RS gemaakt van RVS SUS304 (V2A of 1.4301)
- 2 stuks 3,5 x 22 mm RVS bevestigingsschroeven
Referentienummer van de fabrikant:
- Artikelnummer: 100-019-058
- Artikelnaam: HR-90RS
- EAN-nummer: 4510932000239
Fabrikant: SUGATSUNE / LAMP® (Japan)



